连成消防增压给水成套机组是在消防给水成套机组的功能上增加智能末端试水装置等系统感知元件,通过消防物联网平台、移动终端监控系统等软件组成的智慧消防给水系统。具有自动监测消防水泵的流量、压力、功率、效率等参数功能,保证消防泵水泵不存在过载,过热的风险。消防智慧平台可根据自动记录的系统实时运行数据自动对设备进行安全评估,为系统的维护管理方、使用方提供实时的故障分析和诊断、系统故障率等关键决策依据,旨在全面提高消防给水系统的安全性,可靠性和灭火效能。
.png)
系统组成
(2).png)
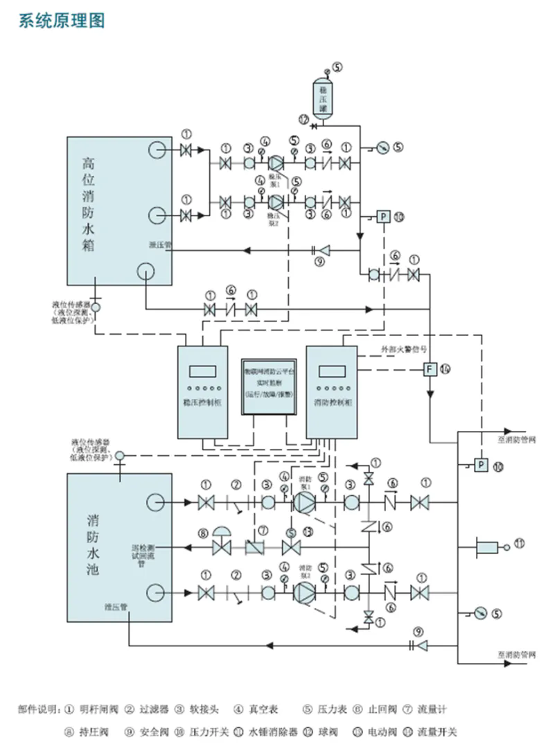
物联网消防机组是由消防水泵、控制柜、仪表、阀门、管道,以及相关组件等集成。具有机械应急启动、现场手动启动、自动启动、自动巡检测试等功能,自带流量压力测试回路,方便定期现场检测消防水泵性能,借助物联网平台为实时自动记录系统内数据,通过物联网给水机组、智能末端试水系统、物联网消防专用监控平台、远程监控端(手机端、PC端)等各部分相互协作配合,最终形成一个智慧物联网消防给水系统。
系统工作原理
物联网消防给水系统以传统消防给水设施为基础,增设物联网模块、相关传感器、硬件终端,通过物联网控制柜将采集的水泵运行参数传送至物联网平台,从而实现对流量、扬程、转速、水泵、电动阀门等数据的远程实时监控以及动态管理。
系统特点
符合FM标准的机械应急启动
在控制系统失效;电压下降;电磁线圈烧毁或老化的情况下,可以通过机械应急启动。
自动工频巡检
系统具备定时自动巡检功能。
随时随地远程实时监控
全程自动采集系统运行数据(水位、流量、压力、电压、电流、故障、报警、动作);通过移动终端、PC端,可以实时监控系统状态,随时随地远程控制。
故障诊断与报警
系统具有故障诊断与报警功能,可以及时发现、快速有效解决系统故障。
自动末端试验
系统具有定时自动进行末端试验功能。
数据存储与查询
数据自动记录存贮储存采集的运行数据,可以查询历史数据。
标准的通信接口
系统配有标准的通信接口RS-485,采用Modbus-RTU协议,可以与其它管理监控平台无缝对接。
控制系统简介
物联网消防给水设备控制系统设置双电源进线端子及自动转换开关,并具备机械应急启动、消防水泵控制、自动低频巡检、自动工频巡检和物联网消防等功能,其防护等级不低于IP55。
物联网消防给水设备控制系统有如下功能:
基本功能
1、具有运行数据记录功能,记录消防系统的实时水位、实时压力、实时流量和实时供电运行数据;
2、设有两级操作级别,第一级(最低级别)只允许手动控制和自检,第二级允许修改系统参数、时间、各器件参数、巡检设置;
3、具有物联网监控可显示功能,用计算机或手机通过网络连接监控平台,查看设备报警、运行参数、设置参数、使用地点及消防给水设备型号等信息;
4、运行记录可供半年内查询;
5、支持远程程序更新;
监控、故障报警功能
1、监控数据包括消防管网压力、水池/水箱的实时液位和报警、巡检时额定压力工况下的流量、巡检周期等;
2、监控状态包括消防系统电源/消防泵故障、消防泵启停状态、压力开关状态、手/自动转换状态及消防火灾报警状态等;
3、设有专用的报警灯,监控报警;
数据传输功能
1、设备提供RS-485通讯接口或以太网通讯接口,通过移动数据通信网络实现远程监视和控制功能;具备断网数据本地存储功能及网络恢复后数据续传功能;
2、实现非消防运行状态数据更新频率不低于1h一次,消防运行状态数据更新频率不低于10S一次;
系统应用平台功能
1、平台具有数据远程监控功能,可以通过网页或手机APP实现数据监控;
2、平台具备报警消息推送功能;
3、平台具备历史数据查询功能,可查询、导出设备的历史数据;
4、平台具备数据可视化展示功能;
5、平台可以接入视频监控;
6、平台具备线上保修工单系统。
经济效益
延长设备生命周期、降低设备更换成本
物联网消防给水系统具有报警和故障诊断功能,具有较好的设备稳定性和使用寿,远优于传统产品,长期可为业主单位节省大量设备更换成本。
减少运维费用
物联网消防系统具有实时监控功能、自动巡检功能、自动末端试验装置,全程免人工介入,减少企业运营过程中消防维护成本,同时可提高维护效率;企业每年可减少相应的消防维保费用开支。
减少人力成本
采用物联网消防设备,接入消防远程监控系统联网的,可以实行单人值班,从而节省人员和经费开支。
应用领域
物联网消防供水机组适用于工业和民用建筑工程项目(如工厂、仓库、储罐、车站、机场、医院、办公、商场、车库、展览建筑、文体建筑、影剧院、住宅及商业综合体等)的各类消防给水系统,如:室内外消火栓系统、自喷系统、消防炮及防火分隔水幕及雨淋系统等等。
智慧消防产品认证证书
|